Je croyais que ça marchait pas
Problème P0141 Lambda après Cata [Résolu]
Modérateurs : Stew, blacksrookie, senior, Puff92
-
OR_07
- Animateur de forum
- Messages : 33294
- Inscription : jeu. mars 08, 2007 11:13 pm
- Localisation : +92260
Re: Problème sonde Lambda après Cata
Comment ça marche ?
Je croyais que ça marchait pas
Je croyais que ça marchait pas
"les routes d'Ardèche, y'a que ça de vrai..." A.Senna
"Je vais vite, je m’entraîne a pas perdre une seconde..." Lorie
"Ne prenez pas la vie au sérieux, de toute façon vous n'en sortirez pas vivant" Fontenelle
"Je vais vite, je m’entraîne a pas perdre une seconde..." Lorie
"Ne prenez pas la vie au sérieux, de toute façon vous n'en sortirez pas vivant" Fontenelle
Re: Problème sonde Lambda après Cata
C'est Wifi 
-
OR_07
- Animateur de forum
- Messages : 33294
- Inscription : jeu. mars 08, 2007 11:13 pm
- Localisation : +92260
Re: Problème sonde Lambda après Cata
et oui, c'est le code wiffi bernard
avec le petit bouton sur la colonne de direction. 1 appui pour A, 2 appui pour B etc etc...
et appel de phare en même temps pour les majuscule
le code est :
ghyLyMdzsgUGFDSgfdfjyTEdsgfHODSZAgdjdtyuij
avec le petit bouton sur la colonne de direction. 1 appui pour A, 2 appui pour B etc etc...
et appel de phare en même temps pour les majuscule
le code est :
ghyLyMdzsgUGFDSgfdfjyTEdsgfHODSZAgdjdtyuij
"les routes d'Ardèche, y'a que ça de vrai..." A.Senna
"Je vais vite, je m’entraîne a pas perdre une seconde..." Lorie
"Ne prenez pas la vie au sérieux, de toute façon vous n'en sortirez pas vivant" Fontenelle
"Je vais vite, je m’entraîne a pas perdre une seconde..." Lorie
"Ne prenez pas la vie au sérieux, de toute façon vous n'en sortirez pas vivant" Fontenelle
Re: Problème sonde Lambda après Cata
Humf..... Ca marche pas non plus tu es sûr de ton code ?
Sinon, il n'y a pas un mec sobre dans le coin... Parce que là, je pense qu'ils ont pris des produits les frères Dalton
Sinon, il n'y a pas un mec sobre dans le coin... Parce que là, je pense qu'ils ont pris des produits les frères Dalton
Beedee
Re: Problème sonde Lambda après Cata
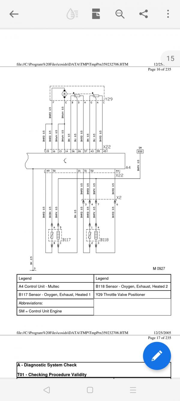
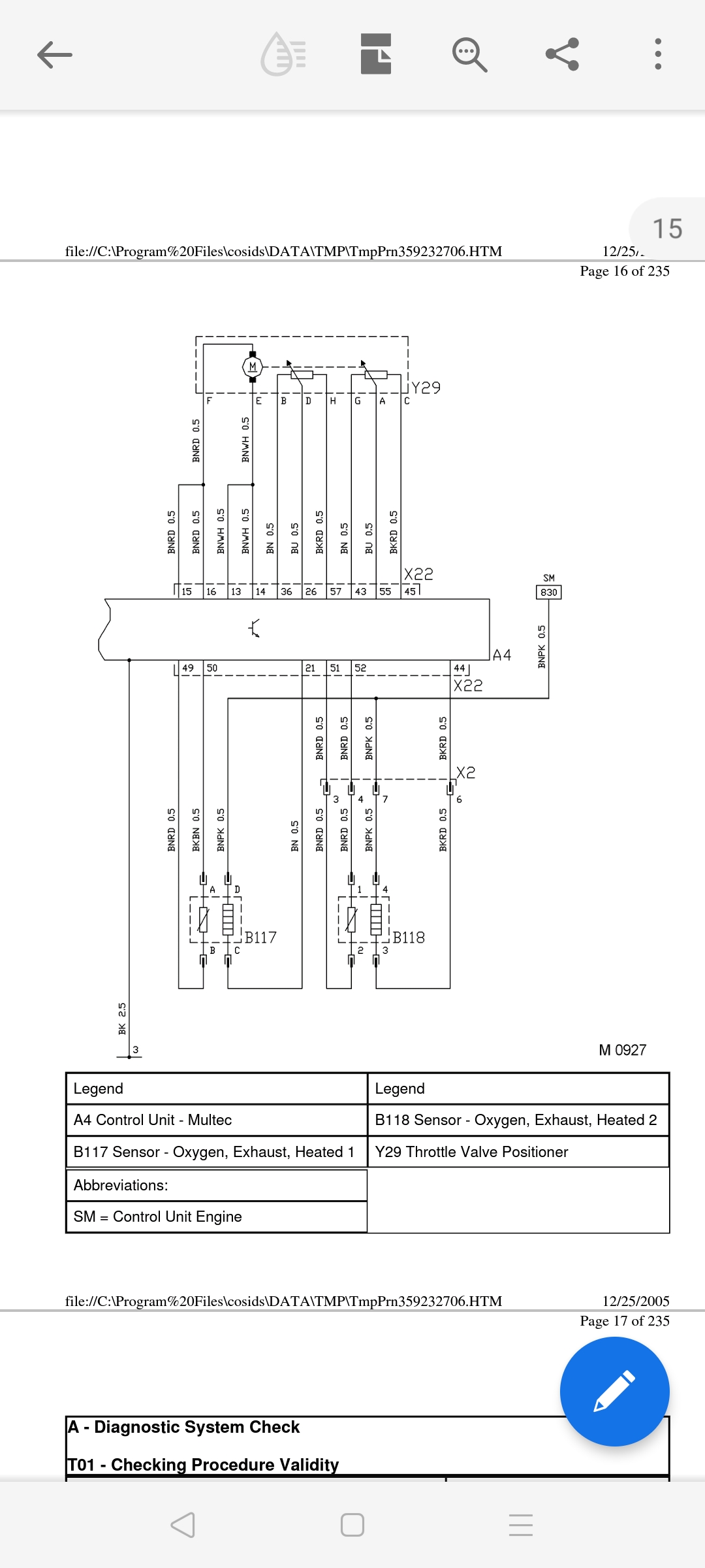
On dirait bien que la sonde aval n'est pas chauffée...
Re: Problème sonde Lambda après Cata
Rohooooo pourtant sur le schéma du cablage on voit bien la résistance.....VX'er a écrit :On dirait bien que la sonde aval n'est pas chauffée...
Je suppose que le X2 est le connecteur de la sonde, et le X22 le connecteur bleu.
Qu'est ce que le control unit engine ?

Beedee
Re: Problème sonde Lambda après Cata
c'est probablement ton calculateur moteur.
Quand tu parles du connecteur bleu, si tu pense à celui que as en photos sur les posts précédents, difficile de croire que ce soit x22 qui doit, lui, être un gros connecteur a environ 55 pinoches vu le schéma
Quand tu parles du connecteur bleu, si tu pense à celui que as en photos sur les posts précédents, difficile de croire que ce soit x22 qui doit, lui, être un gros connecteur a environ 55 pinoches vu le schéma
J'aime les lapines
Re: Problème sonde Lambda après Cata
De mémoire il y a deux prises identiques (pour la sonde). L'une est inutilisée. S'il y a une bonne âme pour me prendre une photo de la prise utilisée sur son atmo, histoire de vérifier que je ne me suis pas trompé, je suis preneur.
Beedee
Re: Problème sonde Lambda après Cata
De ce que je comprehends en lisant à la page 192 du lien fourni en Decembre, le X22 serait le connecteur au niveau de l'ECU.
Et oui c'est bien chauffé...
Du coup je comprends pas que ce ne soit pas relié...
Et ton connecteur libre identique à celui de ta sonde lambda... il va où lui ?
Et oui c'est bien chauffé...
Du coup je comprends pas que ce ne soit pas relié...
Et ton connecteur libre identique à celui de ta sonde lambda... il va où lui ?
Re: Problème sonde Lambda après Cata
Ok je ferai des photos demain.
Envoies moi ton mail ou whatsapp par mp
Envoies moi ton mail ou whatsapp par mp
Re: Problème sonde Lambda après Cata
VX'er a écrit :.
Et ton connecteur libre identique à celui de ta sonde lambda... il va où lui ?

Le voilà.
Alors que moi je suis branché là :

Beedee
Re: Problème sonde Lambda après Cata
De bonnes nouvelles en vue je pense....
Re: Problème sonde Lambda après Cata
Bon, j'ai essayé tous les code wifi, aucun ne marche.
J'ai donc appelé un marabout, et il m'a résolu le truc...
En gros, il y a eu deux montages sur les Speedster suivant l'année (peut être le jour de la semaine aussi) :
-Le montage original avec un faisceau Lotus, un seul connecteur 4 broches Bosch Compakt situé contre le châssis et le passage de roue gauche sous le vase d'expansion, à coté d'un câblage qui va dans le coffre (sans doute le Switch de fermeture du coffre pour l'alarme). Une photo du Speedy de VX'er pour illustrer.

Ce faisceau se reconnait par le montage des câbles au dessus des injecteurs au moyens de scotch toilé.
-Un second montage avec faisceau GM, avec deux connecteurs 4 broches Bosch Compakt. L'un contre le châssis et le passage de roue gauche sous le vase d’expansion, l'autre vers la vanne EGR.

On reconnait le faisceau GM car le câblage au dessus des injecteurs est posé dans un guide en plastique.

Dans la cas du montage GM, le connecteur a utiliser est celui qui est positionné près de la vanne EGR, pas celui situé contre le passage de roue.
Du coup si vous prenez exemple sur le montage d'une voiture plus ancienne que la votre, qui n'a qu'un seul connecteur.... et bien pan vous voilà fort dépourvu et vous rebranchez la sonde Lambda après cata sur une prise située contre le passage de roue qui ne mène à rien...
Je roule donc depuis 2017 avec la sonde Lambda branchée sur le mauvais connecteur je pense. Je pouvais toujours gratter les contacts !
Par contre, j'en suis bien à ma seconde sonde, la première Delphi était HS au niveau de la résistance (ce qui semble fréquent après avoir lu les 2679 posts que VX'er m'a fait passé !
Je me demande si je ne ferais pas un post illustré plus clairement cela pourrait servir si d'autres zouaves dans mon genre rencontrent le même problème
J'ai donc appelé un marabout, et il m'a résolu le truc...
En gros, il y a eu deux montages sur les Speedster suivant l'année (peut être le jour de la semaine aussi) :
-Le montage original avec un faisceau Lotus, un seul connecteur 4 broches Bosch Compakt situé contre le châssis et le passage de roue gauche sous le vase d'expansion, à coté d'un câblage qui va dans le coffre (sans doute le Switch de fermeture du coffre pour l'alarme). Une photo du Speedy de VX'er pour illustrer.

Ce faisceau se reconnait par le montage des câbles au dessus des injecteurs au moyens de scotch toilé.
-Un second montage avec faisceau GM, avec deux connecteurs 4 broches Bosch Compakt. L'un contre le châssis et le passage de roue gauche sous le vase d’expansion, l'autre vers la vanne EGR.

On reconnait le faisceau GM car le câblage au dessus des injecteurs est posé dans un guide en plastique.

Dans la cas du montage GM, le connecteur a utiliser est celui qui est positionné près de la vanne EGR, pas celui situé contre le passage de roue.
Du coup si vous prenez exemple sur le montage d'une voiture plus ancienne que la votre, qui n'a qu'un seul connecteur.... et bien pan vous voilà fort dépourvu et vous rebranchez la sonde Lambda après cata sur une prise située contre le passage de roue qui ne mène à rien...
Je roule donc depuis 2017 avec la sonde Lambda branchée sur le mauvais connecteur je pense. Je pouvais toujours gratter les contacts !
Par contre, j'en suis bien à ma seconde sonde, la première Delphi était HS au niveau de la résistance (ce qui semble fréquent après avoir lu les 2679 posts que VX'er m'a fait passé !
Je me demande si je ne ferais pas un post illustré plus clairement cela pourrait servir si d'autres zouaves dans mon genre rencontrent le même problème
Dernière modification par Beedee le sam. janv. 23, 2021 6:54 pm, modifié 1 fois.
Beedee
-
Puff92
- Meilleur ouvrier de France des jeux de mots laids
- Messages : 62552
- Inscription : mar. avr. 09, 2013 8:55 pm
- Localisation : +Vichy (03)
Re: Problème sonde Lambda après Cata
Effectivement il fallait être au fait des subtilités du câblage
Je trouve ton explication simple et claire. Tu peux peut être ajouter [RÉSOLU] dans ton titre si tu ne veux pas te retaper le toutim
Ca va te faire du bien de rouler l'esprit tranquille sans voyant.
Bouchon repeint ou quelle provenance ?
Je trouve ton explication simple et claire. Tu peux peut être ajouter [RÉSOLU] dans ton titre si tu ne veux pas te retaper le toutim
Ca va te faire du bien de rouler l'esprit tranquille sans voyant.
Bouchon repeint ou quelle provenance ?
LE GRAVILLON C'EST LA VIE ! (j'ai quand même failli me mettre au tas)
http://www.myspeedster.ch/forum/viewtop ... 57&start=0
http://www.myspeedster.ch/forum/viewtop ... 57&start=0
Re: Problème sonde Lambda après Cata
Une drôle de farce ton histoire , bravo pour le résultat 
......1 ims /2ism!
Re: Problème sonde Lambda après Cata
Repeint, c'était une bombe destinée à mes étriers, mais la couleur était trop Schtroumpf.Puff92 a écrit : Bouchon repeint ou quelle provenance ?
J'ai mis de l'après à pare choc, puis 3 couches de bleu, puis vernis.
Beedee
-
Puff92
- Meilleur ouvrier de France des jeux de mots laids
- Messages : 62552
- Inscription : mar. avr. 09, 2013 8:55 pm
- Localisation : +Vichy (03)
Re: Problème P0141 Lambda après Cata [Résolu]
OK pour les produits 
LE GRAVILLON C'EST LA VIE ! (j'ai quand même failli me mettre au tas)
http://www.myspeedster.ch/forum/viewtop ... 57&start=0
http://www.myspeedster.ch/forum/viewtop ... 57&start=0
Re: Problème P0141 Lambda après Cata [Résolu]
Ça me fait peur ton histoire... j’ai le faisceau GM, que j’avais envoyé pour modification pour le montage SC... et lors du remontage j’ai vu que le gars m’a viré le contacteur... j’ai demandé plus d’infos et il m’a dit de me brancher sur le contacteur du passage de roue car identique... je le sens mal... 
Con pressé family
-
GrosPepere
- Messages : 1068
- Inscription : dim. oct. 04, 2009 9:29 pm
- Localisation : + en bas
Re: Problème P0141 Lambda après Cata [Résolu]
ça me rappelle le jour ou j'ai compris pourquoi mon 3e feu de stop ne fonctionnait plus, je l'avais branché sur un connecteur similaire au même endroit derrière le conducteur a coté des relais et dont je me servais plus (un truc inutile mais je sais plus quoi
)
cool que tu aies enfin trouvé ton problème
cool que tu aies enfin trouvé ton problème
#758
Re: Problème P0141 Lambda après Cata [Résolu]
Fredo, vérifie le connecteur bleu. Il faut qu'il y ai quelque chose en face des broches de la sonde.
Sur cette photo de la partie mâle côté ECU, il manque les broches de la sonde. Deuxième ligne, les deux en partant de la gauche.

Sinon une seule solution. Zlatan, jeune serbe de 46 ans qui ira péter les genoux du gars qui t'a fait le faisceau.
D'un autre côté j'ai roulé plusieurs centaines de kms branché sur le mauvais connecteur sans problème.... peut être un peu de sous virage...
Sur cette photo de la partie mâle côté ECU, il manque les broches de la sonde. Deuxième ligne, les deux en partant de la gauche.

Sinon une seule solution. Zlatan, jeune serbe de 46 ans qui ira péter les genoux du gars qui t'a fait le faisceau.
D'un autre côté j'ai roulé plusieurs centaines de kms branché sur le mauvais connecteur sans problème.... peut être un peu de sous virage...
Beedee
Re: Problème P0141 Lambda après Cata [Résolu]
Merci pour l’info je suis vraiment une quiche en elec donc j’espère que j’ai ce qu’il faut... je contrôle ça demain 
Con pressé family
Re: Problème P0141 Lambda après Cata [Résolu]
C'est bon la quiche....
Prends une photo des pins de ton connecteur, je te dirais.
Prends une photo des pins de ton connecteur, je te dirais.
Beedee
Re: Problème P0141 Lambda après Cata [Résolu]
Yep je fais ça (Bon normalement je devrais trouver si y’a des cosses
) c’est plutôt si il n’y a rien que je suis mal barré 
Con pressé family
Re: Problème P0141 Lambda après Cata [Résolu]
Salut,
J'ai mis du produit pour contacteur, l'erreur est toujours là
C'est la troisième fois que je dois changer les deux sondes, c'est normal ? Il y a un quelque chose à faire pour éviter que sa se reproduise ?
@+
J'ai mis du produit pour contacteur, l'erreur est toujours là
C'est la troisième fois que je dois changer les deux sondes, c'est normal ? Il y a un quelque chose à faire pour éviter que sa se reproduise ?
@+
Opel Speedster VX220 Turbo
Re: Problème P0141 Lambda après Cata [Résolu]
Tu es sûr que tu l'as branché sur la bonne prise ?
Beedee
